Individuální servis
Fiat 850 Sport Coupe, 88 stran
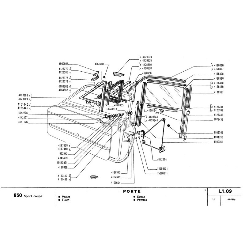
Katalog obsahuje karosářské náhradní díly.
Jedná se o kopii originálního italského katalogu, který má rozkreslené jednotlivé náhradní díly a uvedené originální čísla uvedené z výroby, Tyto originální čísla jsou shodná s našemi srovnávacími čísly,
Tento katalog náhradních dílů doporučujeme především nováčkům a tomu kdo začal s repasí,
Cena katalogu je závislá na počtu stránek.
Pružinka plynového lanka Fiat 600 D - Fiat 850...
49,59 Kč bez DPH
Poslední kusy sklademSada brzdových hadiček Fiat 850 S - Fiat 850...
693,39 Kč bez DPH
Do týdneSada na opravu převodky řízení vč. ložisek Fiat...
735,54 Kč bez DPH
SklademDržák pomocné páky řízení Fiat 500 F/R - Fiat...
658,68 Kč bez DPH
SklademSponka k uchycení prahové lišty Fiat 850 N/S/Coupe
106,61 Kč bez DPH
SklademSada silentbloků Fiat 850 N/S - Fiat 850 Coupe...
1 462,81 Kč bez DPH
Do týdneKroužek ventilu topení Fiat 850 - Fiat 124 -...
22,31 Kč bez DPH
SklademPryžová čepička - set Fiat 500 L/R - Fiat 126 -...
66,12 Kč bez DPH
Skladem